石嘴山市2026年4月份安全生产 “三项岗位”人员考试计划公告
为确保我市危险化学品、金属冶炼等生产经营单位主要负责人、安全生产管理人员和特种作业人员资格考试有序进行,现将2026年4月份考试安排予以公布。请各位考生根据个人实际情况,在完成规定安全培训后,及时报名参加本月组织的安全生产资格考试。考生须按时参加考试,未按时参考的,一律按缺考处理;考试不合格者,允许补考一次。
如遇恶劣天气、大规模城市电力中断或网络故障等特殊情况,考试安排将适时调整,具体通知另行公布。
石嘴山市安全生产考试点地址:石嘴山经济技术开发区(惠农区建业路旁),联系人:刘春利 咨询电话:0952-7809666。
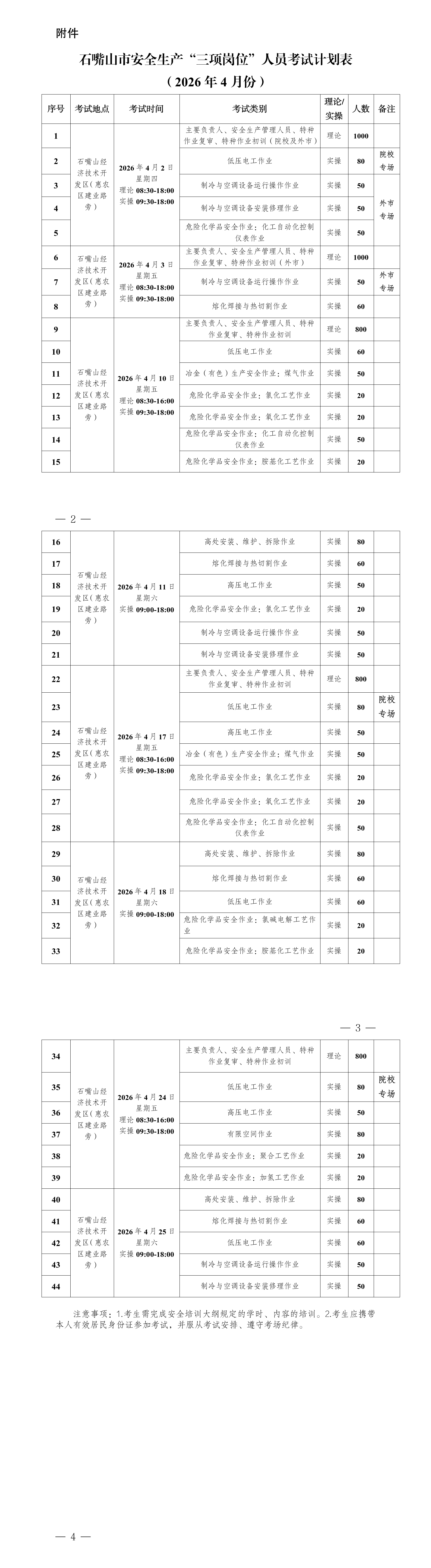
附件:石嘴山市安全生产“三项岗位”人员考试计划表(2026年4月份)
石嘴山市应急管理局考试中心(代章)
2026年3月18日

附件下载:
扫一扫在手机上查看当前页面




